GRA-TEC
"NO FERRULE" PLASTIC TUBE FITTINGS "PTF"
Home Previous Page Next Page Catalog Index Talk To Us                                        Phone: 603-329-9633     Fax:  603-329-4633

 

"PTF" PLASTIC TUBE FITTING
GRA-TEC's exclusive two piece construction

With the rapidly increasing use of plastic tubing in industry today, tubing material compositions and pressure requirements can present connection problems to the design and manufacturing engineer.

GRA-TEC offers the unique "PTF" fitting - the simplest and most reliable tube connection available.

--A proven problem solver--

This two piece fitting is made up of a body with a tapered hose barb that grips the inside diameter of the flexible tube. A threaded nut is hand tightened over the tubing, compressing it onto the barbs. A positive non-collapsing seal and holding action is insured by the tubing compression.

"PTF" two piece plastic tube fittings provide these advantages:

Many engineering people specify GRA-TEC "PTF" fittings because of their capability to grip "hard to hold" tubing (1/16" to 1/2").


                 Part Number
Tube           DelrinŽ    Brass              Flow
O.D.    NPT    250 PSI  1500 PSI   A     B     C     D     E

.096  '10-32      *       0015   .400  .250  .040  .093  .253
.140  '10-32      *       0016   .410  .250  .070  .093  .253
 1/8  '10-32      *       0018   .460  .250  .062  .093  .253
 1/4  '10-32      *       0019   .695  .375  .093  .125  .285
 1/8   1/16       *      90329   .495  .437  .062  .125  .500
 1/8   1/8      8671      2671   .495  .437  .062  .125  .525
 1/4   1/8      8673      2673   .675  .437  .156  .156  .556
 3/8   1/8      8679      2679   .890  .562  .187  .187  .587
 1/4   1/4      8675      2675   .705  .562  .156  .187  .780
 3/8   1/4      8681      2681   .890  .562  .228  .187  .780
 1/4   3/8      8685*     2685*    *     *     *     *     *
 3/8   3/8      8687*     2687*    *     *     *     *     *
 1/2   3/8      8688*     2688*    *     *     *     *     *
 1/2   1/2      8694*     2694*    *     *     *     *     *

NOTE A - On some DelrinŽ fittings, "B" dimension measures diameter
of a cylindrical knurled surface.

'UNF straight threads pressure rating dependent on tubing characteristics.

Fittings are furnished
with nuts.

"No Ferrule"
Plastic Tube
x NPT
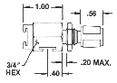
Tube     Part Number
O.D.        Brass        Thread         A        B        C

.096        3199         10-32        .330     .220     .100
.140        3200         12-28        .375     .250     .148
 1/8        3201         10-32        .375     .250     .128
 1/4        3203         3/8-24       .530     .437     .255
 3/8        3205         1/2-24         *        *        *
 1/2        3206         5/8-20         *        *        *
Nut -- GRA-TEC
Plastic Tube
Fitting
                    Part Number
Tube      Tube        Brass                             Flow
O.D.       O.D.      1500 PSI         A         B         C

.096      .096        92830         .750      .250      .040
.096      .140        92831         .750      .250      .040
.125      .125        0021          .875      .250      .062
.140      .140        92832         .750      .250      .070
.140      .250        92833         .990      .437      .070
.250      .250        20008        1.190      .437      .156

Fittings are furnished
with nuts.

Tube x Tube
Coupling

NOTE: SEE DIMENSIONAL DATA FOR SPECIFICATIONS ON ADAPTERS USING THE UNIQUE NO FERRULE "PTF" DESIGN.

*Consult factory for pricing and availability.